Rivet Squeezer Accessories
Rivet squeeze accessories are essential components designed to enhance the performance, versatility, and ease of use of pneumatic and manual rivet squeezers. These high-quality accessories ensure precision and efficiency across various riveting applications, such as aerospace, automotive, and metal fabrication projects. Whether you’re working on assembly lines or repairs, these accessories help maximize tool functionality while minimizing wear and tear.
Types of Rivet Squeezer Accessories
1. Yokes (Squeezer Heads)
- Standard Yokes: Suitable for various riveting tasks with aluminum and mild steel rivets.
- Long Reach Yokes: Provides extended access to rivet areas in deep or tight spaces.
- Offset Yokes: Ideal for reaching difficult angles or obstructions around structures.
- Alligator Yokes: Designed for flat surfaces with vast clamping areas, commonly used in aircraft maintenance.
2. Rivet Sets
- Universal Rivet Sets (AN470): Used for rounded, dome-head rivets. Available in multiple sizes to fit specific rivet diameters.
- Flush Rivet Sets (AN426): Creates smooth surfaces by countersinking rivet heads, ideal for aerospace applications.
- Custom Sets: Tailored rivet heads or non-standard shapes for specific project needs.
3. Quick-Change Kits
- Rapid Yoke Change System: This system allows operators to quickly swap out yokes to adapt to different riveting needs, reducing downtime.
- Snap-In Rivet Set Holders: Enables fast replacement of rivet sets to accommodate rivet size or head type changes.
4. Adjustment Shims and Spacers
- Precision Shims: Used to adjust yoke height and alignment, ensuring consistent rivet compression.
- Spacer Kits: Helps modify the gap between tool arms for use with rivets of varying lengths.
5. Foot or Hand-Operated Actuators
- Foot Pedals: Allows hands-free operation of pneumatic rivet squeezers for increased efficiency and precision.
- Manual Lever Extensions: Enhances the torque in manual rivet squeezers for heavy-duty applications.
6. Seal Kits and Maintenance Tools
- O-Ring Seal Kits: Prevents air leaks, ensuring pneumatic squeezers maintain optimal pressure.
- Lubrication Tools: Helps with routine maintenance, ensuring smooth operation and extending tool life.
Key Benefits of Using Rivet Squeezer Accessories
- Enhanced Tool Versatility: Adapt the rivet squeezer to various projects with specialized heads and sets.
- Improved Efficiency: Quick-change systems and yoke extensions reduce downtime between operations.
- Precision and Consistency: Ensure uniform rivet compression with alignment tools and shims.
- Extended Tool Lifespan: Regular maintenance using seal kits and lubricants helps maintain performance over time.
Applications
- Aerospace: Precision riveting on aircraft structures using flush or dome-head rivets.
- Automotive: Assembly and repair of vehicle components, including chassis and bodywork.
- Shipbuilding: Securing metal plates and structural components.
- General Fabrication: Used in workshops for metal fastening, assembly, and repair projects.
Equip your rivet squeezer with the right accessories to unlock its full potential—whether you need enhanced reach, quick changes, or consistent results, these accessories are designed to meet the demands of professionals in challenging environments.
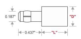
DIMPLE PUNCH & DIE SET

ROUND HEAD

| Rivet Head Diameter | |||||||
| RS-1000 | RS-2000 | RS-2100 | |||||
| “D” 0.187″(4.75mm) | “D” 0.250″(6.35mm) | “D” 0.219″(5.57mm) | “D” 0.273″(6.94mm) | ||||
| NO. | L | NO. | L | NO. | L | NO. | L |
| -1X | 1/8(3.2mm) | -8X | 1/8(3.2mm) | -01X | 1/8(3.2mm) | -01XA | 1/8(3.2mm) |
| -1 | 1/4(6.4mm) | -8 | 1/4(6.4mm) | -01 | 1/4(6.4mm) | -01A | 1/4(6.4mm) |
| -2 | 3/8(9.5mm) | -9 | 3/8(9.5mm) | -02 | 3/8(9.5mm) | -02A | 3/8(9.5mm) |
| -3 | 1/2(12.7mm) | -10 | 1/2(12.7mm) | -03 | 1/2(12.7mm) | -03A | 1/2(12.7mm) |
| -11 | 5/8(15.9mm) | ||||||
| -12 | 3/4(19mm) | ||||||
BRAZIER HEAD

| Rivet Head Diameter | |||||
| RS-1001 | RS-2001 | ||||
| “D” 0.312″(7.93mm) | “D” 0.312″(7.93mm) | “D” 0.391″(9.94mm) | |||
| NO. | L | NO. | L | NO. | L |
| -8X | 1/8(3.2mm) | -8X | 1/8(3.2mm) | -15X | 1/8(3.2mm) |
| -8 | 1/4(6.4mm) | -8 | 1/4(6.4mm) | -15 | 1/4(6.4mm) |
| -9 | 3/8(9.5mm) | -9 | 3/8(9.5mm) | -16 | 3/8(9.5mm) |
| -10 | 1/2(12.7mm) | -10 | 1/2(12.7mm) | -17 | 1/2(12.7mm) |
| -11 | 5/8(15.9mm) | -11 | 5/8(15.9mm) | ||
| -12 | 3/4(19mm) | -12 | 3/4(19mm) | ||
| -13 | 7/8(22.2mm) | -13 | 7/8(22.2mm) | ||
| -14 | 1(25.4mm) | -14 | 1(25.4mm) | ||
UNIVERSAL HEAD

| Rivet Head Diameter | |||||||||
| RS-1002 | RS-2002 | ||||||||
| “D” 0.187″(4.75mm) | “D” 0.250″(6.35mm) | “D” 0.187″(4.75mm) | “D” 0.250″(6.35mm) | “D” 0.312″(7.93mm) | |||||
| NO. | L | NO. | L | NO. | L | NO. | L | NO. | L |
| -1X | 1/8(3.2mm) | -8X | 1/8(3.2mm) | -1X | 1/8(3.2mm) | -8X | 1/8(3.2mm) | -15X | 1/8(3.2mm) |
| -1 | 1/4(6.4mm) | -8 | 1/4(6.4mm) | -1 | 1/4(6.4mm) | -8 | 1/4(6.4mm) | -15 | 1/4(6.4mm) |
| -2 | 3/8(9.5mm) | -9 | 3/8(9.5mm) | -2 | 3/8(9.5mm) | -9 | 3/8(9.5mm) | -16 | 3/8(9.5mm) |
| -3 | 1/2(12.7mm) | -10 | 1/2(12.7mm) | -3 | 1/2(12.7mm) | -10 | 1/2(12.7mm) | -17 | 1/2(12.7mm) |
| -4 | 5/8(15.9mm) | -11 | 5/8(15.9mm) | -4 | 5/8(15.9mm) | -11 | 5/8(15.9mm) | -18 | 5/8(15.9mm) |
| -5 | 3/4(19mm) | -12 | 3/4(19mm) | -5 | 3/4(19mm) | -12 | 3/4(19mm) | -19 | 3/4(19mm) |
| -6 | 7/8(22.2mm) | -13 | 7/8(22.2mm) | -6 | 7/8(22.2mm) | -13 | 7/8(22.2mm) | -20 | 7/8(22.2mm) |
| -7 | 1(25.4mm) | -14 | 1(25.4mm) | -7 | 1(25.4mm) | -14 | 1(25.4mm) | -21 | 1(25.4mm) |
FLUSH STYLE

| Rivet Head Diameter | |
| RS-2003 | |
| “D” 0.5″(12.7mm) | |
| NO. | L |
| -16 | 1/8(3.2mm) |
| -18 | 1/4(6.4mm) |
| -20 | 3/8(9.5mm) |
| -22 | 1/2(12.7mm) |
| -24 | 5/8(15.9mm) |
| -26 | 3/4(19mm) |
| -28 | 7/8(22.2mm) |
OVAL/TRUSS HEAD

| Rivet Head Diameter | |
| RS-2004 | |
| “D” 0.375″(9.53mm) | |
| NO. | L |
| -23 | 3/8(9.5mm) |
TUBULAR RIVETS

| Rivet Head Diameter | |
| RS-2005 | |
| “D” 0.187″(4.75mm) | |
| NO. | L |
| -24 | 1/2(12.7mm) |


